도도한 개발자
중앙처리장치(CPU) 작동 원리 본문
중앙처리장치(CPU)는 명령어의 해석과 자료의 연산, 비교 등의 처리를 제어하는 컴퓨터 시스템의 핵심 장치이다.
'인간의 두뇌' 해당한다고 할 정도로 가장 핵심적인 역할을 수행하며, 크게 연산장치, 제어장치, 레지스터와 각 구성 요소를 연결하는 내부 버스로 구성되어 있다.
CPU 구성요소

1. 제어 장치 (CU, Control Unit)
- 명렁어를 순서대로 실행할 수 있도록 제어하는 장치
- 기억 장치로부터 프로그랭 명령을 순차적으로 꺼내 해독하고, 해석에 따라서 명령어 실행에 필요한 제어 신호를 기억장치, 연산장치, 입출력 장치 등으로 보내는 장치
- 프로그램 카운터(PC), 명령 해독기, 부호기, 명령 레지스터 등으로 구성됨
2. 연산 장치 (ALU, Arithmetic and Logical Unit)
- 산술연산과 논리연산 수행 (따라서 산술논리연산장치라고도 불림)
- 명령어를 실행하기 위한 마이크로 연산을 수행하는 장치
- 연산에 필요한 자료를 입력받아 산술, 논리, 관계, 이동(Shift) 등 다양한 연산을 수행하는 장치
- 가산기, 보수기, 누산기, 데이터 레지스터 등으로 구성됨
3. 레지스터 (Register)
- CPU(중앙 처리 장치)내의 소규모 고속 기억장치
- 명령어 주소, 코드, 연산에 필요한 데이터, 연산 결과 등을 임시로 저장
- 레지스터는 메모리 계층의 최상위에 위치하며 가장 빠른 속도로 접근 가능한 메모리
- 용도에 따라 범용 레지스터와 특수 목적 레지스터로 구분됨
- 범용 레지스터 : 연산에 필요한 데이터나 연산 결과를 임시로 저장
- 특수목적 레지스터 : 특별한 용도로 사용하는 레지스터
* 특수 목적 레지스터 종류
- MAR (메모리 주소 레지스터) : 읽기와 쓰기 연산을 수행할 주기억장치 주소를 저장
- PC (프로그램 카운터) : 다음에 실행될 명령어의 주소를 저장
- SP (스택 포인터) : 스택의 최상위 주소를 저장
- IX (인덱스 레지스터) : 인덱스 주소 지정 방식에서 인덱스를 저장
- IR (명령어 레지스터) : 명령어를 호출해서 해독하기 위해 현재 명령어를 임시로 저장
- MBR (메모리 버퍼 레지스터) : 주기억장치의 내용을 임시로 저장하는 역할
- AC (누산기) : 산술 논리 장치의 연산 결과를 임시로 저장
- PSR (프로그램 상태 레지스터) : CPU의 현재 상태 정보를 저장
CPU 연산
CPU의 연산 순서는 Fetch -> Decode -> Execute -> Writeback 으로 이루어지며 각 과정의 설명은 다음과 같다.
1. Fetch(인출) : 메모리상의 프로그램 카운터(PC)가 가리키는 명령어를 CPU로 인출하여 적재
2. Decode(해석) : 명령어의 해석. 이 단계에서 명령어의 종류와 타겟 등을 판단
3. Execute(실행) : 해석된 명령어에 따라 데이터에 대한 연산을 수행
4. Writeback(쓰기) : 명령어대로 처리 완료된 데이터를 메모리에 기록
CPU 동작 과정

(1) 주기억장치는 입력장치에서 입력받은 데이터 또는 보조기억장치에 저장된 프로그램을 읽는다.
(2) CPU는 주기억장치에 저장된 프로그램 명렁어와 데이터를 읽고 처리한 후 다시 주기억장치로 보내 저장한다.
(3) 주기억장치는 처리 결과를 출력장치에 보내거나 보조기억장치에 저장한다.
(4) 제어장치는 (1)-(3) 과정에서 명령어가 순서대로 잘 실행되도록 제어하는 역할을 수행한다.
CPU 명령어
명령어 세트
정의 : CPU가 실행할 명령어의 집합
명령어 세트는 실행할 연산을 나타내는 연산 코드 (Operation Code)와 연산에 필요한 데이터나 데이터의 저장 위치를 나타내는 피연산자 (Operand)로 구성된다.
연산 코드는 연산, 제어, 데이터 전달, 입출력 기능을 가지고
피연산자는 주소, 숫자/문자, 논리 데이터 등을 저장한다.
연산 코드 (Operation Code)
- 연산 기능 : 사칙연산, 이동(shift), 보수 등의 산술연산과 논리곱, 논리합, 부정 등의 논리연산을 수행한다.
- 제어 기능 : 조건 분기와 무조건 분기 등을 사용하여 명령어의 실행 순서를 제어한다.
- 데이터 전달 기능 : 레지스터와 레지스터 사이, 레지스터와 주기억장치 사이에서 데이터를 전달한다.
- 입출력 기능 : 프로그램과 데이터를 주기억장치에 전달하고, 연산 결과는 출력장치에 전달한다.
피연산자 (Operand)
- 주소 : 기억장치 혹은 레지스터의 주소가 저장된다.
- 숫자/문자 : 숫자는 정수, 고정 소수점 수, 부동 소수점 수 및 각각의 코드로 저장되고 문자는 아스키코드로 저장된다.
- 논리 데이터 : 참 또는 거짓을 표현할 때 사용하며 비트나 플래그로 저장된다.
명령어 사이클
CPU는 프로그램 실행하기 위해 주기억장치에서 명령어를 순차적으로 인출하여 해독하고 실행하는 과정을 반복하는데, CPU가 주기억장치에서 한번에 하나의 명령어를 인출하여 실행하는데 필요한 일련의 활동을 '명령어 사이클'이라고 한다.
명령어 사이클은 인출 사이클, 실행 사이클, 간접 사이클, 인터럽트 사이클로 세분화 시킬 수 있는데, 인출 사이클과 실행 사이클은 항상 수행되지만 / 간접 사이클과 인터럽트 사이클은 주소 지정방식이 필요할 때나 인터럽트 요구가 있을 때만 수행된다.
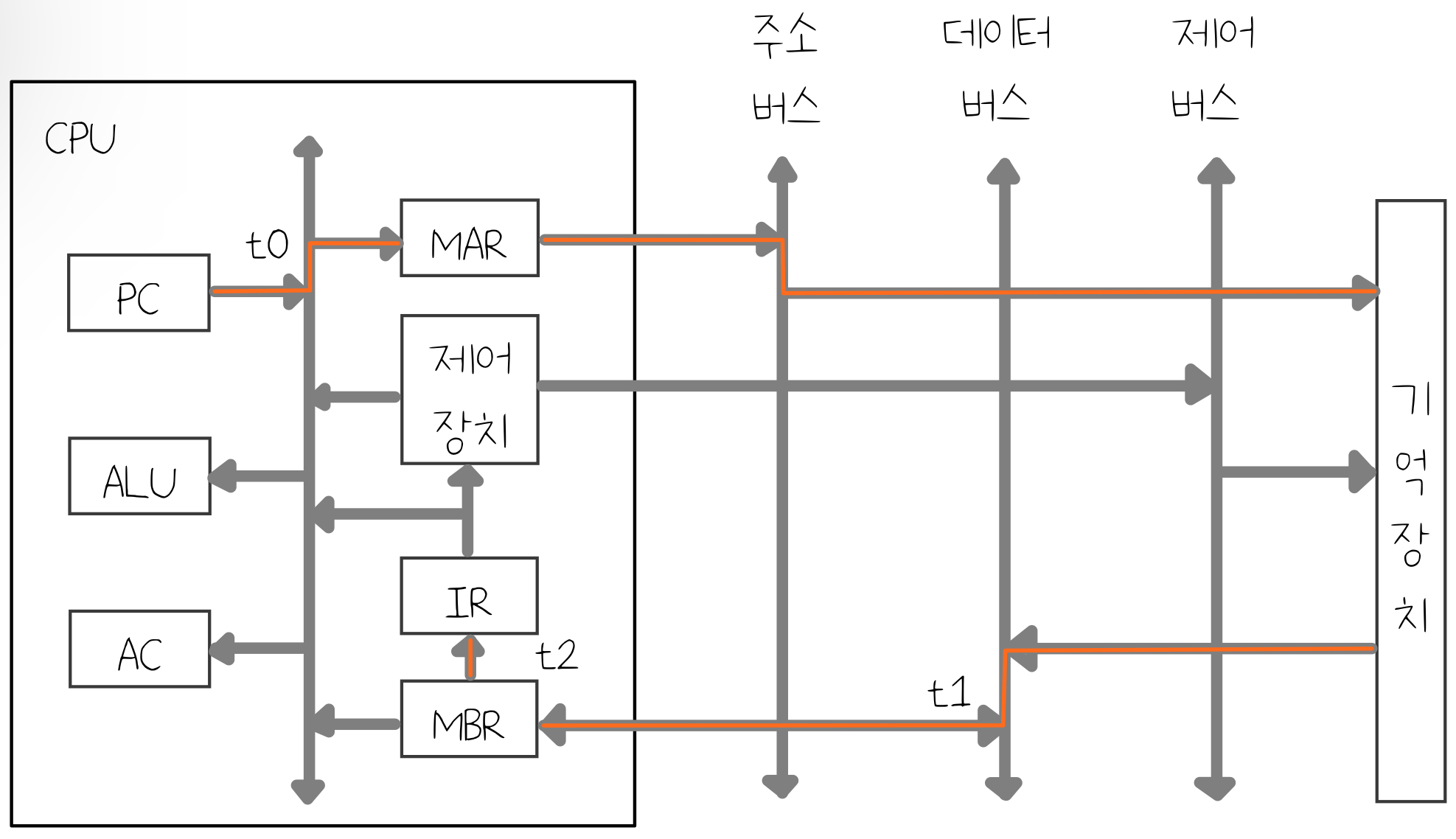
먼저 인출 사이클을 알아보자.

- 프로그램 카운터(PC)에 저장된 주소를 메모리 주소 레지스터(MAR)로 전달 한다.
- 메모리 주소 레지스터(MAR)에 저장된 내용을 토대로 주기억장치의 해당 주소에서 명령어를 인출한다.
- 인출한 명령어를 메모리 버퍼 레지스터(MBR)에 저장한다.
- 다음 명령어를 인출하기 위해 프로그램 카운터 (PC)의 값을 증가 시킨다.
- 메모리 버퍼 레지스터(MBR)에 저장된 내용을 명령어 레지스터(IR)에 전달한다.
위의 인출사이클을 다음과 같이 표현할 수 있다.
| t0 : MAR <- PC t1 : MBR <- M[MAR], PC <- PC + 1 t2 : IR <- MBR |
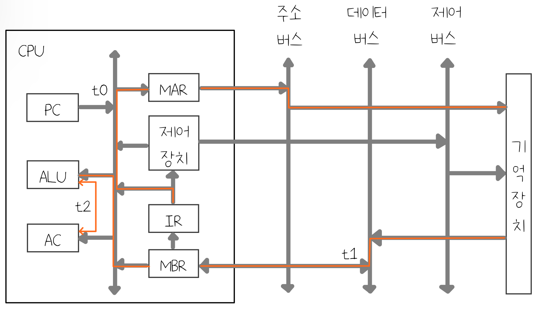
다음은 인출 사이클로부터 명령어를 인출한 이후 명령어를 실행하는 과정인 실행 사이클의 과정이다.
그 중에서도 더하기(ADD) 연산으로 과정을 살펴보자.

- 명령어 레지스터(IR)의 내용을 메모리 주소 레지스터(MAR)로 전달한다.
- 메모리에 저장된 데이터 값을 메모리 버퍼 레지스터(MBR)에 저장한다.
- 누산기(AC)에 저장된 값에 ADD연산을 실행한다.
실행 사이클도 다음과 같이 표현할 수 있다.
| ADD addr 명령어 연산 t0 : MAR <- IR(Addr) t1 : MBR <- M[MAR] t2 : AC <- AC + MBR |
실행 사이클에서는 프로그램 카운터를 증가시키지 않는 이유
인출 사이클과 다르게 실행 사이클에서는 프로그램 카운터(PC)를 증가시키지 않는데, 이미 인출이 진행 되고 명령어 실행만 하면 되는 상황이기 때문에 프로그램 카운터를 증가시킬 필요가 없기 때문이다.
즉, 이미 인출이 되어 명령어 레지스터(IR)에 메모리 버퍼 레지스터(MBR)의 값이 저장된 상태라는 의미이다.
'Computer Science' 카테고리의 다른 글
| 컴퓨터의 구성 (0) | 2023.01.08 |
|---|---|
| 프로세스와 스레드 (0) | 2022.11.09 |